A Saba VS-2160 erősítő átalakítása
Bagi Gábor okl. villamosmérnök


A képek, a szerző saját képei!

Jelen cikkben egy Saba VS-2160-as erősítő elektroncsövessé való átalakítását szeretném bemutatni. Egyúttal gondolatébresztőnek is szánom, hiszen sokaknak gondot okoz az általuk épített erősítő megfelelő dobozolása, de ez a példa is azt mutatja, hogy ez a probléma könnyen megoldható ha választunk egy megfelelő vintage erősítőt és azt átalakítjuk. Ha meg szeretnénk őrizni az eredeti kezelőlapi funkciókat, akkor célszerű olyat választani, ahol a félvezetős végfok külön egységet képez és egyszerűen kiszerelhető, mint ebben is, tehát ne egy nagy nyákon legyen az egész, hanem modulrendszerű legyen. Szintén előnyös, ha az aljlap külön leszerelhető, ez nagyban leegyszerűsíti a későbbi javításokat, méréseket. Egyébként ez az erősítő megfelel a Sanyo DCA-611 –es típusnak, gyakorlatilag gyárilag Sanyo alkatrészek kerültek bele. Így volt ez a végfokkal is, eredetileg két Sanyo STK-059-es hibrid IC végfokkal került forgalomba ez a típus. Hozzám már úgy került, hogy az STK IC-k már cserélve voltak a helyettesítő komplementer STK-0060-as típusra, de nekem gyanús volt hogy ezek a cserélt IC-k már nem eredeti Sanyo gyártmányok. A neten böngészve meglepve tapasztaltam hogy milyen hagyománya van az STK IC-k hamisításának, hiszen már a Sanyo régóta nem gyártja őket. A keresőbe beírva az „STK fake” kulcsszavakat egészen elképesztő képeket kap az ember a hamisított IC –k belsejéről.. Jobb esetben egy nyáklapra, smt alkatrészekkel készült utángyártott típussal van dolgunk. Egyébként szétszedtem az STK-0060 –as IC-ket, nyákon, smt tranzisztorokkal volt kialakítva. Az eredeti Sanyo gyártmányokban kerámiahordozóra vannak szerelve az alkatrészek és még a kisjelű tranzisztorok is tokozatlan szilicium chip-ek amik direktbe vannak bondolva a vastagréteg vezetősávhoz.

Így egyrészt nem voltam bizonyos abban hogy eredeti Sanyo IC-k vannak benne, másrészt a hangjával sem voltam teljesen elégedett. A készülékházban lévő tágas hely és a kapcsolás modulszerű felépítése szinte kínálta, hogy csöves végfokot kapjon. Először elhessegettem a gondolatot magamtól, de aztán egyre inkább foglalkoztatott. Évek óta folyamatban volt már egy csöves erősítő építés projektem, ami a tökéletesség jegyében igen lassan haladt, főként a készülékház kialakítása miatt, így azt félkész állapotában félretéve neki láttam a Saba átalakításának ami mindössze 4 hónap alatt el is készült. A képen az eredeti állapot látható, a piros keretben lévő részek (a trafó és a végfokpanel, valamint az elkó és a biztosítéktábla) eltávolításra kerültek, így rengeteg hely kínálkozott.
1. ábra A SabaVS2160 eredeti állapotában.

Ezek után az előfok panelének a tápellátását kellett megoldani, valamint a csöves végfok erősítését meghatározni amelynek bemenete a hangerőszabályzó potméter csúszkájára csatlakozik. Ezáltal az előlapon egy kivételével minden kezelőszerv funkciója változatlan maradt, csupán az a yaxley kapcsoló amivel eredetileg a kimeneti A/B csatornákat lehetett kapcsolni (lautsprecher felíratú) kapott más funkciót: a negatív visszacsatolás mértékét lehet vele néhány decibellel változtatni. Tapasztalatom szerint ez előnyös, halkabb hangerőnél kisebb NVCS levegősebb hangzást eredményez, nagyobb hangerőnél lehet az az NVCS-t fokozni, ami feszesebb mélytartományt és kisebb torzítást tesz lehetővé.

A kimenőtrafók egy korábbi erősítőm bontásából származtak amely ezen oldalon is bemutatásra került anno 10 évvel ezelőtt „Egy egyszerű 11 W-os erősítő” címmel. A hálózati toridot tekertettem, a végfokot körülvevő két fém árnyékoló lemez, a forrlécek, a nyák, és a szerelőlap valamint a kimenők saját készítés. A szerelőlap 2mm vastag üvegszálas lemezre készült, ami modellező boltokban beszerezhető. A csövek között 8mm átmérőjű szellőzőnyílások lettek a szerelőlemezen kialakítva. A kimenők a 10 évvel ezelőtt tekert trafóim, csak újra lettek lemezelve, ügyelve az EI lemezek szigetelésére (lakkozás) illetve az összehúzó csavar szigetelésére. Az erősítő PLK-9-es orosz kerámiafoglalatokat kapott a csövezés pedig egy RFT ECC82, két darab 6n2p-EV valamint négy darab válogatott 6p14p-EV. (Ez megfelel az EL84-nek.) A kapcsolás klasszikus DC csatolt ½ ECC82 + LTP fázisfordító, a végcsövek pedig az egyszerű katódkomplexum révén sima AB osztályban működnek, pentóda módban. Az LTP fázisfordító úgy lett méretezve, hogy kb. -0,6V a rácsfeszültség a katódhoz képest, ez a 6n2p karakterisztikáján az 56k-s anódellenállással megfelelő munkapontot ad. Az erősítő félvezetős hangszínszabályzó része, valamint a phono előerősítő megmaradt. A csöves végfok erősítésének meghatározása ezek figyelembe vételével történt miáltal az ECC82 erősítése elegendőnek bizonyult. Szkópos mérésekre még nem volt lehetőségem, a mérések kimerültek a DC munkapontok ellenőrzésében, illetve a meghallgatásban. A hangzása igen jó lett (többek szerint is), hangfalként pedig Infinity Reference 31 MKII típust használok. A készülék aljlapja külön lecsavarozható, ami a mérések elvégzésekor nagyon praktikus. A hálózati toroid kb. 160 W-os magra készült, az üresjárási feszültségek úgy lettek meghatározva, hogy terheléskor a névleges feszültségek álljanak be. A primer 230V névleges értékre lett méretezve, 0.5mm-es huzalból.

TekercsÜresjárási effektív feszültségHuzalátmérő [mm]Megjegyzés
Szek1238V0.4
Szek22x38V0.3középleágazásos
Szek3,4,56.6V0.93 db független tekercs
1. táblázat Hálózatitrafó adatai

Érdekes még megemlíteni, hogy a városban ahol lakok a hálózati feszültség elég nagy eltérést mutat: az előző lakásomban kb. 235-239V között volt, azaz sosem mértem 235V alatti értéket, míg a mostaniban -ami a város másik felében van- 219-226V között változik. Itt egy kicsit alul lett méretezve a fűtés menetszáma és a 224V –os hálózaton a végcsövekkel leterhelt trafónál gyakorlatilag 5.95V –ot mértem az EL84-ek fűtésén. (A fűtés üresjárási feszültségét kb. 6.8V-nak kellett volna számolni.) Ezért utólag háromszor két menetet kellet rátekernem a trafóra, miáltal a 224V-os hálózatnál a 6.35V –os fűtőfeszültség állt be a teljesen leterhelt trafónál. (Ezt egy deszkamodelen teszteltem, a triódák is fűtve voltak, illetve rajta volt a graetz és a 200uF –os kondi és a négy EL84 is be volt állítva 4*36mA –es áramra.) Ezek a póttekercsek annyiból praktikusak, hogy néhány forrasztással kiiktathatóak, így ha tartósan 235V-os hálózatról menne az erősítő, akkor a tekercsek kiiktatása után kb.6.25V –os fűtőfesz alakulna ki terhelés esetén, a túlfűtést elkerülendő.

A toroid és a bal oldali kimenőtrafó közé árnyékoló lemez került, amely sajnos nem biztosít elég védelmet a toroid szórása ellen, de mindenképpen csökkenti a kimenőrafóba jutó szórt fluxust, bár igaz hogy a jó mágneses árnyékoláshoz jóval vastagabb lágyvas lemez kellene. A jelenség a következő: mihelyst a hálózati feszültség bekapcsolásra kerül (azaz amikor a csövek még fel sem fűtöttek és a tápkésleltető sem kapcsolta még be a relét) már akkor a bal oldali hangszóróból némi zaj hallatszik, de persze csak közel hozzáhajolva hallható, míg a jobb oldaliból ez a zaj kevésbé hallható. Szerencsére ez olyan halk hogy gyakorlatilag nem zavaró.

Az alábbi rajz az erősítő eredeti kapcsolásából való, a pirossal bekeretezett rész a végfok, ami eltávolításra került. A kék válaszvonal jelöli a hangerőpoti csúszkáját, ide csatlakozik 470nF –on keresztül az ECC82 rácsa. A bekeretezett ellenállás azt szemlélteti hogy eredetileg 150kohm-al volt leterhelve a poti, ezért kapott az ECC82 is 150kohm –os rácsellenállást. A zöld választóvonal a kivezérlés jelző egyenirányítóit jelöli, ez megmaradt, ez a 6ohmos hangszórókimenetről kap vezérlést. (Az erősítő kapcsolásán az „M” jelű pont csatlakozik ide.)

2. ábra részlet a SabaVS2160 rajzából, a régi végfokról, ahová a csöves végfok került

A tápegység úgy lett kialakítva, hogy tartalmaz egy kb. 45.sec-os tápkésleltető kapcsolást, valamint egy feszültségosztót, ami a triódák fűtőszálait emeli fel kb. 50V –os potenciálra. Ennek az időállandója kicsi a 2uF –os elkó révén, tehát az 50V –os potenciál hamarabb létrejön, mielőtt még a 6n2p katódfeszültsége a kb. 100V –ra beállna. Igy a katód-fűtőszál feszültségkülönbség a bekapcsolási tranziens alatt sem lépi túl a megengedett értéket. Felfedezhetünk egy másodlagos jelenséget is: a 680kohm –os rácsellenállás kapcsain egy minimális (kb. 60mV) plusz negatív feszültség kialakul, ami eltolja az LTP második triódafelének (amelynek a rácsa a 330nF-en keresztül földelve van) a munkapontját az elsőhöz képest: ez azt jelenti, hogy a 6n2p második triódafelének az árama kisebb lesz és a belső ellenállása kb. 5-10 %-al nagyobb lesz az első triódafélhez képest - feltéve ha teljesen azonosnak tételezzük fel az egy búra alatt lévő két triódát. A plusz soros anódellenállás értékét kísérletezéssel és méréssel határozhatjuk meg. Bár én nem mértem és lehet, hogy kicsit sok a 3.3kohm pluszba, de a végcsövek meredeksége is mutat pár százalékos eltérést, szerencsés esetben ez pont kompenzálja a fázisfordító 2-3 százalékos amplitúdóhibáját. A végcsövek egyébként szokványos automatikus munkapont beállítást kaptak a 130ohm/100uF –os katódkomplexum révén. Ez AB osztályú működést tesz lehetővé. Nem célszerű ide túl nagy kondit rakni, ugyanis ez az időállandó határozza meg meddig marad a cső a B osztályban. Szemléletesen: ha jön egy erős mély beütés (nagy amplitúdó, feltekert hangerőnél), akkor kialakul kb. 13V a katódellenálláson és ha e pillanat után már csak kis amplitúdójú magas-frekvenciás jelek jönnek akkor a végcső T ideig marad B osztályú munkapontban ameddig a 100uF –os kondi feszültsége visszatér a 9.7V –ra. Itt lehet érdekes kipróbálni, hogyha fix negatív elő-feszültséget adnánk a végcsöveknek akkor annak milyen hatása lenne a hangra. Mivel közös a végcsövek katódellenállása ezért válogatni kell őket, hogy a nyugalmi anódáramuk 2-3 mA-en belül egyforma legyen. Ez azért is fontos, hogy a kimenőtrafó B-H görbéjén ne legyen eltolva a munkapont, vagyis ne legyen egyenáramúlag előmágnesezve, hiszen ha a két cső árama megegyezik akkor a két félprimer tekercs mágneses tere kioltja egymást.

Másik elgondolkodtató dolog, hogy miért előnyös az ECC82 katódellenállását két részre bontani. Itt az a lényeg, hogy egy alacsony impedanciás feszültséggenerátorról történjen a katódra történő visszacsatolás. A 30 ohmos ellenállás ennek eleget tesz, tehát a kimenetről jövő jel egy kisebb mint 30 ohmos feszültséggenerátorként fogható fel ami közel ideális feszültséggenerátor. A jelentősége az alábbi: tegyük fel, hogy egy adott pillanatban az ECC82 bemeneti rácsfeszültsége hirtelen nulla volt lesz. A kimeneten ez még nem érvényesül, a hangszóró membránja éppen valamekkora sebességgel leng vissza a nulla kitérés felé. Ez a kimeneti feszültség mint ideális feszültséggenerátor (minél kisebb belső ellenállás, esetünkben 30 ohm) kell hogy csatlakozzon az ECC82 katódjára. Ugyanis ebben a pillanatban, mivel Ube rács ECC82 0 V éppen egy földelt rácsú erősítőként fogható fel, ami a katódján kap vezérlést, a bemeneti ellenállása a katódnál alacsony, kohm-os nagyságrendű. Hogy ez az alacsony bemeneti ellenállás a katódnál ne terhelje le a visszacsatolt feszültséget szolgáltató „generátort” ezért annak a kimenő ellenállásának legalább egy nagyságrenddel kisebbnek kell lennie. A 30 ohm ennek eleget tesz. Másrészt ezáltal az NVCS yaxley kapcsolóval történő állítgatásának elhanyagolható a hatása az ECC82 munkapontjára.

A forrléceket nagyon egyszerűen alakítottam ki: két sor lyukat kell fúrni 2-3 mm vastag üvegszálas vagy bakelit lemezre 1.5mm-es fúróval és ezekbe kell bedugni az 1.3mm-es villanyszerelési drótból meghajlított U alakú darabokat, aminek aztán a két kiálló végét kúpos végű fogóval meghajlítjuk, a két oldalán ellentétes irányba. Ezáltal mechanikailag nagyon stabil forrszemhez jutunk, az ellentétes hajlítás miatt nem tud jobbra-balra billegni sem.

3. ábra A kimenőtrafó felépítése, a vaskeresztmetszete kb. 9 cm2

Tekercs jeleHuzalátmérő [mm]MenetszámMért Ohmos ellenállás [Ω](RDC)
Pr10.1873563
Pr20.1886593
Pr30.18865114
Pr40.18735103
Sek10.933-
Sek21.321-
Sek30.933-
2. táblázat Kimenőtrafó adatai

A tápegység kapcsolási rajzán a csillaggal jelölt test az előfokpanel (hangszínszabályozó panel) testére csatlakozik és a kábelek árnyékoló köpenye révén csatlakozik a végfok bemeneti testére. Így a testek végeredményben galvanikusan kapcsolódnak, de a tápegység nyáklapján ez a * -al jelölt test a -földhurok elkerülése végett- nincs összekötve a csöveket kiszolgáló táp testével. A tápegység által előállított +/-50V és a csillaggal jelölt testpont a hangszínszabályzó panel megfelelő pontjaira csatlakozik (ez eredetileg is így volt) és utána ebből állítja elő a zéneres stabilizátor a +/-21V –os stabil tápfeszt a hangszínszabályzó és a phono erősítő részére. A kapcsolási rajz erre vonatkozó részlete itt látható:

4. ábra SabaVS2160 tápegység szészlet

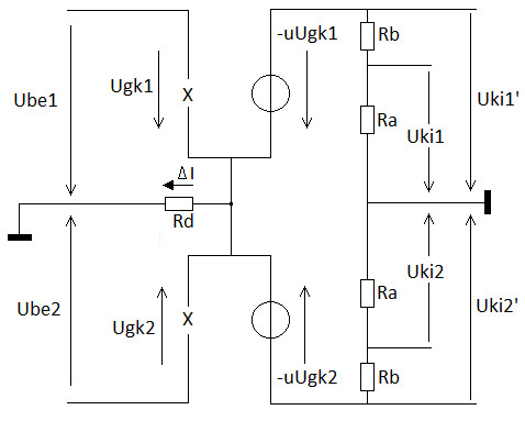
Az alábbi kis jelű helyettesítő kép az LTP (Long Tail Pair) fázisfordító kapcsolását mutatja be. Itt az egyszerűség kedvéért feltételezzük, hogy a két csőfél teljesen azonos és azonos munkapontban dolgozik, azaz Rb1=Rb2=Rb és μ1 = μ2 = μ. Ra értéke gyakorlatban az 56k és a 390k párhuzamos eredője, az egyszerűség kedvéért egyenlő Ra értékeket tételezünk fel. Továbbá az elektróda kapacitások és a másodlagos jelenségek is el vannak hanyagolva.

5. ábra Az LTP fázisfordító kis jelű helyettesítő képe

Az Rd ellenállás a kapcsolásomban 56kohm-os közös katódellenállásnak felel meg, míg áramgenerátor alkalmazása esetén annak a differenciális belső ellenállását jelenti, azaz ΔU/ΔI. A fázisfordító második triódájának az anódkörében az 56kohm-nál valamivel nagyobb értékű ellenállás van beiktatva, erre azért van szükség, mert ha teljesen egyforma Ra ellenállások lennének akkor a második fokozat kimenőfeszültsége néhány százalékkal alacsonyabb lenne, ezt kompenzálandó oda nagyobb Ra érték kell. (Mivel a katódellenállás nem végtelen nagy, illetve nem valós áramgenerátort tartalmaz, ezért a kis jelű helyettesítő kapcsolásban a váltóáramú áramkomponens egy része „elmegy” az LTP katódellenállásán (Rd), így a második Ra-ra már kevesebb áram jut, amit ugyanazon feszültség elérésére nagyobb Ra értékkel kompenzálhatunk. De ez csak Ube2 = 0V esetén helytálló.)

Az LTP fázisfordítót felfoghatjuk egy nem tökéletes differenciálerősítőnek, hiszen a kis jelű helyettesítő képben áramgenerátornak kellene szerepelnie, ami a jel szempontjából szakadás, de itt a lehetőleg minél nagyobb értékű katódellenállás szerepel. Az egyenletek levezetésekor kiderül, hogyha az Ube2 = 0 (tehát az LTP második rácsa 330nF –on keresztül hidegítve van) akkor a véges Rk (a rajzon Rd) hatása kompenzálható azzal, ha a második csőfél anódellenállását kissé megnöveljük. Fontos, hogy ez csak akkor igaz, ha Ube2 = 0V. Mély hangoknál a 330 nF nem biztosít tökéletes hangfrekvenciás rövidzárlat, így az Ube2 nem teljesen nulla, hanem az Ube1 komplex lineáris függvénye lesz. Ez nem jelent gondot, mert Ube2 ilyenkor sem egy „idegen” feszültség, hanem Ube1 függvénye. Ha azonban olyan kapcsolást szeretnénk mint a Huey Baby erősítő (lásd google) ahol a kimenő szekunderéről a differősítő második rácsára (Ube2) csatolnak vissza, így az igazi különbségképzőként működik akkor valós áramgenerátort kell alkalmaznunk. Én is gondolkoztam ezen a variáción, de a félvezetős áramgenerátortól idegenkedtem, és bár van itthon két mini RCA 6bh6 pentódám amit még direkt áramgenerátor céljára szereztem be a helyhiány sajnos gátat szabott ennek a kialakításnak, valamint stabilizált negatív tápfesz is kellett volna neki… Egyébként magasabb frekvencián a 6n2p fűtőszál – katód kapacitása söntölő hatást fejtene ki az áramgenerátorra. Így tehát maradt áramgenerátor helyett az 56kohm –os katódellenállás.

Belátható, hogyha az 56kohm helyett egy ideális áramgenerátorunk lenne, azaz az Rd végtelen nagy lenne, akkor ΔI=0 lenne, akkor az Uki1 = -Uki2 teljesülne, hiszen ugyanaz a váltóáramú komponens folyna mindkét anódellenálláson, csak más irányba. A hibát az Rd-n elfolyó ΔI áram okozza. Ennek az értéke:

1. képlet

Ha Rd-vel megszorozzuk mindkét oldalt, akkor bal oldalon a közös katód jelfeszültségét kapjuk, amely ha μ→ꝏ-hez akkor pont az Ube1 és Ube2 átlaga lesz, azaz (Ube1+Ube2)/2.

A levezetés mellőzésével a kimeneti feszültségekre az alábbi két egyenlet adódik:

2. képlet

Ebből látható, hogy van egy nagy értékű erősítés az Ube1-Ube2 különbségre vonatkozólag és ehhez tevődik egy lényegesen kisebb érték, ami az Ube1+Ube2 összegjellel arányos. Az összegjel erősítése annál kisebb, minél nagyobb Rd vagy a μ. Ideális esetben nagyon nagy Rd esetén (áramgenerátoros meghajtás) az összegjel jobb oldalán egy nullához közelítő szorzó jelenne meg. A differenciálerősítő jóságát az összegjel elnyomása határozza meg.

Ugyanakkor az is belátható, hogyha Ube2 = 0, de Rd és μ nem végtelen nagy, akkor a gyakorlatban lehet az Ra1 és Ra2 aránnyal úgy játszani, hogy Uki1=Uki2 legyen.

Ha Ube2 = 0 és μ1 ≠ μ2 valamint Ra1+Rb1 ≠ Ra2+Rb2, valamint Rd sem végtelen nagy, akkor az alábbi összefüggést kapjuk:

3. képlet

A korábbi erősítőm katodin fázisfordítót használt, de terveztem egy frekvencia kompenzált parafázisú fordítót is. A parafázisú fordító magas frekvencián (20kHz környékén) már jelentős fázishibát (7-8 fok) mutat a trióda anód-rács kapacitása miatt. Ez nagyon egyszerűen kompenzálható egy preciziós légtrimmer kondival, de a számítások azt mutatják, hogy tized pikofaradoknak is jelentősége van a kompenzálás során, ez matematikailag is szépen levezethető, ez majd egyszer egy másik cikk témája lesz…