Nos, megpróbálom papírra vetni azt a néhány gondolatot, ami felmerült bennem, mikor megláttam az oldalon a MechLaboros rajzot.
Valamikor 1983 tájékán építettem át a saját EA 057-eseimet. Hálás feladat volt, mert majdnem minden modifikáció jó irányban sikerült. Az itt szereplő rajz is az én csőtollam eredménye volt. De felhívom rá a figyelmet, hogy ez az egyik kísérleti megoldás volt csak! Ezen a megoldáson túlléptem, tovább modifikálva az erősítőt.
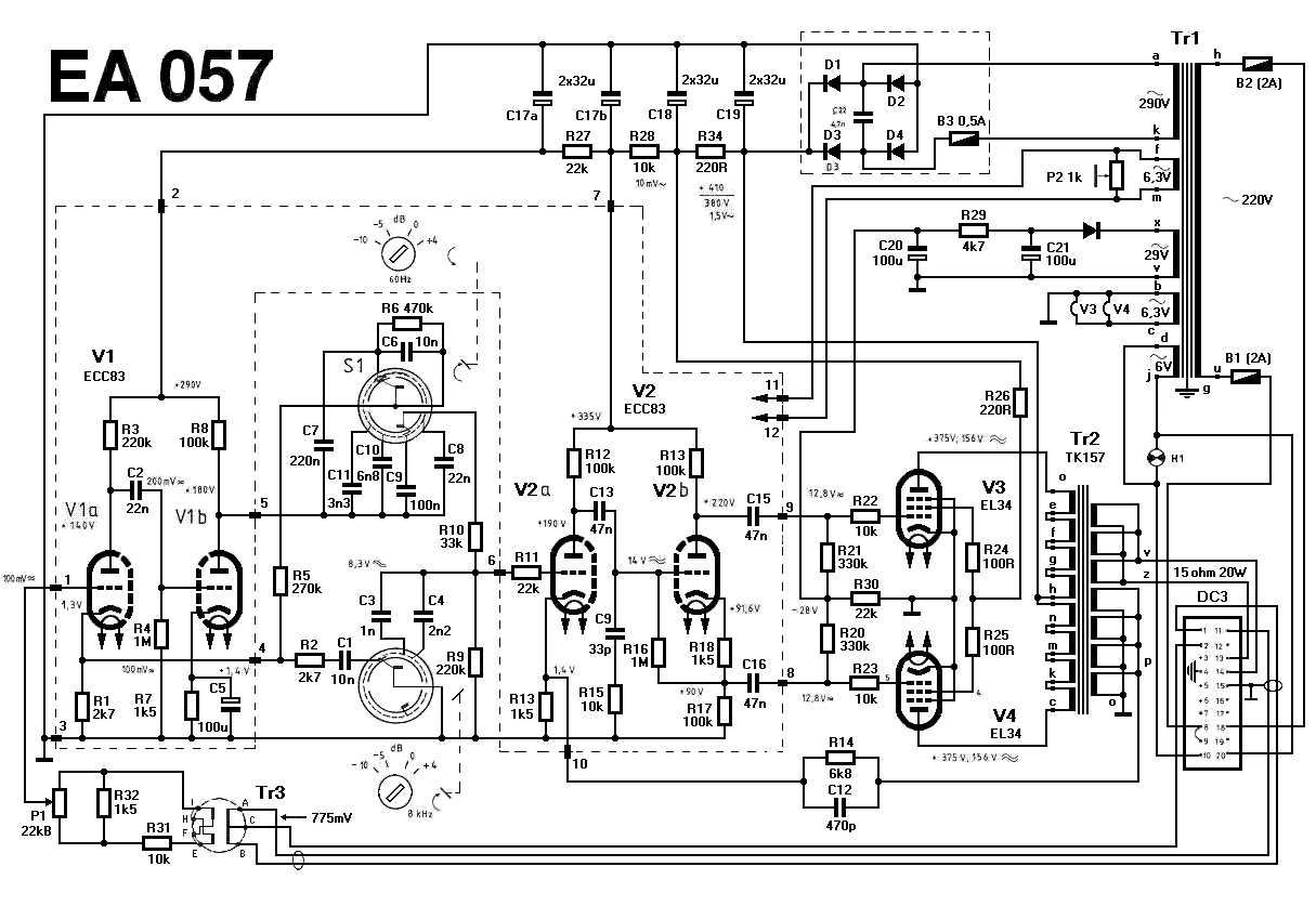
Először is lássuk az eredeti kapcsolási rajzot, kicsit feljavított kivitelben (köszönet érte Sebestyén Zsoltnak):

a szimetrikus bemeneti illesztőtrafó (Tr3)
Első lépésként, ki kell emelni a szimmetrizáló transzformátort, aminek az a szerepe, hogy a stúdiók világában cirkuláló 600 Ohmos szimmetrikus jelet az erősítő számára feldolgozható formára hozza.
A szimmetrizáló Trafó a hangszínszabályozó Yaxley-k alatt foglal helyet, mint a képen látható. Ettől az eszköztől minden további nélkül megszabadulhatunk. Íme a részlet, ami segíti a bekötést:

a szimetrikus bemeneti illesztőtrafó (Tr3) - a kapcsolási vázlaton
Tehát az átépítést kezdhetjük ezzel. Gyakorlatilag kiiktatjuk a bemeneti transzformátort, és a helyére berakunk egy rácslevezető ellenállást és egy hangerő-szabályozó potenciométert.

hangerőszabályozó potenciométer - kapcsolási vázlat
Attól függően, hogy milyen fokozat hajtja meg, a bemenettel sorban beköthetünk egy leválasztó kondenzátort is. Ennek értéke a jó mélyátvitel érdekében legalább 2,2 mikrofarad legyen, lehetőleg bipoláris kivitelben.
Ha ezzel készen vagyunk, nekiállhatunk a hálózati kábel kivitelezésének. Mivel az erősítő eredetileg a „Jegorov” hangosító-rendszer darabja volt, ezért „Rack” kivitelű, hálózati kapcsoló és csatlakozók nélkül.

A kimeneteket és a bemeneteket összefogó sokpolusú csatlakozó - a hátlapon
Minden ki és bemeneti pontja a hátlapra van kivezetve, az ott található sokpólusú csatlakozóra.
A továbbiakban ki kell még építeni innen a kimeneti és bemeneti csatlakozást is.
Ha kiépítettük a hálózati kábelt a hozzá tartózó kapcsolóval, rögtön ki is próbálhatjuk az erősítőt, hogy rendben működik-e?
Mivel a bemeneten már nincs transzformátor, gyakorlatilag bármilyen eszközt elé köthetünk, elég nagy az érzékenysége, hogy megszólaljon bármivel.
A kimenet illesztése és a kimenő-transzformátor:
Az erősítő eredetileg 15 Ohmos terhelésre lett kitalálva. A csöves erősítők általában nem szeretik, ha alá vagy fölé illesztjük őket, tehát, ha kisebb vagy nagyobb impedanciát akasztunk rá, mert akkor nem adják le az optimális teljesítményt, és még torzítanak is.
Ennél a darabnál azonban – a felépítéséből következően – kompromisszum köthető a terhelési impedanciát illetően. Saját mérési tapasztalataim azt mutatták, hogy az erősítő a nem névleges kimenő impedancián is megfelelően működik károsodás nélkül. Ha lehetett, én is 15 Ohmon működtettem őket, de ez a feltétel nem mindig teljesült. Az otthon használt Videoton hangfalaim 8 Ohmosak voltak, de az erősítő így is tökéletesen együttműködött velük.
Egyes vélemények és konstrukciós megfontolások arra hajlanak, hogy a kimenőtrafó áttervezése gyógyír az illesztési problémára, ám Darvas László és a HiFi Magazin csapata a tervezővel karöltve megállapította, hogy a 8 Ohmra tervezett trafóval az erősítő nem szól olyan szépen, mint az eredetivel, dacára annak alulillesztésésre. És ezt a trafót is az erősítő konstruktőre: Kovács Zoltán tervezte.
Tehát maradjunk az eredeti Trafókonstrukciónál. Azért itt is javíthatunk az erősítő hangján, az eredetihez képest. Én azt a megoldást választottam, hogy az eredeti kimenőtrafót kivasaztam és az eredeti vas helyére VacuumSchmeltze SM-102b Hipersil vasat tettem. Az okosok azt mondják, hogy az ellenütemű erősítők kimenőtrafói mentesek az egyenáramú előmágnesezéstől, ezért nem kell légrést alkalmazni, de ez csak egy illúzió. Elvileg lehetséges ugyan, akkor, ha az összes cséve azonos Ohmikus ellenállású, de ilyet nem lehet tekercselni. Tehát marad az eredeti felépítés a tekercselésben a hozzátartozó minimális aszimmetriával. Az új vasakat kicsi légréssel kell összeépíteni, hogy a maradék egyenáramú előmágnesezést is kikerüljük. Nekem két réteg 0,025 mm-es kondenzátorpapír került a vasak közé. Ez elegendő volt az előmágnesezés kiiktatására és mégsem volt akkora, hogy az erősítő kimenő-teljesítményét számottevően befolyásolja. Az erősítő a gyári specifikáció szerint 50 Hz – 15.000 Hz sávszélességet tud a maximális kimenő-teljesítménynél leadni, azaz 20 W-nál. Ez csak katalógus-adat, ennél jóval több a sávszélessége. Ha az eredeti erősítő adatait nézem, a következő adatokat látom:
- Hangfrekvenciás sávszélesség: 50 Hz – 15.000 Hz ±3dB /Pki=20 W/
- Jel - Idegenfeszültség arány: -80 dB
- Bemeneti Impedancia: 600 Ohm/1 kHz szimmetrikus /1 dBV (0,775V)
- Kimeneti Impedancia: 15 Ohm
- Harmonikus Torzítás/THD/: 2,5 % /Pki=20W/
Ha megnézzük, nem túl bíztató adatok. De azért ne ijedjünk meg. Mint minden stúdióeszköznél, ennél sem túl bíztató az adatlap. Itt nem illik hazudni, mivel szakemberek nézik meg és értékelik. De ezeket az adatokat több éves használat után is tudják a darabok. És egy stúdióerősítőnél a megbízhatóság és strapabíróság is szempont.
Tehát ha lehetőségünk van rá, cseréljük ki a kimenő vasanyagát az említett típusra. Megpróbálkozhatunk még egyéb típusú, illetve gyártmányú vasakkal is.
Csövezés:
Az erősítő eredetileg 2 db ECC 83-al és a kimenetén 2 db EL 34-es csővel működik.
Én többszöri próbálkozás után kicseréltem a csöveket. Ha nem akarunk nagyon belenyúlni az elektronikába, akkor egyszerű csőcserékkel is javíthatunk az erősítő hangján. Nekem többszöri próbálkozás után a Tungsram E80CC kettőstriódája jött be nagyon az előfok számára. Ha szavakkal akarnám leírni, akkor azt mondanám, hogy kellően sima, részletező hangképet kaptam az ECC 83-akhoz képest. Nekem nem tetszett az ECC 83 szőrös, agresszív hangja. De lehet próbálkozni egyéb csövekkel is. Az ECC 81, ECC 82 is jó eredményt ad.
Természetesen a kisebb erősítésű csövek nem úgy hajtják ki a végfok csöveit. Egy csőgarnitúra csere esetén érdemes megnézni, hogyan változik az erősítő érzékenysége.
A végerősítőben eredetileg Tesla gyártmányú végcsövek vannak. Ezek is megérnek egy misét. Én kipróbáltam több féle EL 34-essel is őket. A teljesség igénye nélkül a következő minőségi sorrend alakult ki, gyártók szerint:
- Mullard – Valvo
- Philips
- Siemens - Tungsram
- RFT – Tesla
De tovább kellett lépnem, mert nem voltam megelégedve a pentódák hangjával. A következő választás a 6L6G sugártetródára terelte a figyelmemet, amit annakidején nagyon nehéz volt beszerezni. Sikerült két pár General Electric gyártmányút beszereznem belőlük. Rögtön ki is próbáltam őket. Nos, jól sejtettem. A sugártetródákkal jobban, másképpen szólt a darab. De még mindig elégedetlen voltam. Szerintem jobban is szólhatott volna. Hogy hogyan tovább, arra Dénes Péter hívta fel a figyelmemet, amikor még csak kezdte építeni az erősítőit. Tőle kaptam az első pár 6П3С (6P3S) sugártetródát. Megdöbbentem a hangjuktól. Olyan hangi világ szólalt meg, amiről tudtam, hogy létezik, de nem hittem volna, hogy a 057-esből hallani fogom. De hallottam!
Előerősítő:

A hangszínszabályozó és elő-erősítőrész

Az elő és meghajtófokozatban is adódik néhány változtatás lehetősége. Először is, mint említettem, a csőcserék, de ez nem feltétlenül szükséges. Mindenki fül útján eldöntheti, milyen hangszínezet tetszik neki jobban. A hangszínszabályozó jelenléte viszont zavarhat embereket. Az eredeti erősítőben ez így néz ki:

A hangszínszabályozó és elő-erősítőrész
Ha ettől a komplexumtól meg szeretnénk szabadulni, akkor megtehetjük. A szaggatott vonallal körülhatárolt rész a nyomtatott áramköri lapon található, a többi a hangszín-szabályozó Yaxley-jei köré van építve. Tehát ettől is meg tudunk szabadulni a következő módon:
Egy apróság: a körerősítés megnő a hangszínszabályozó kiiktatásakor! Akinek túlságosan nagy lesz a bemeneti érzékenység, az iktassa ki a V1b cső katódjából a katódblokk kondit (C5 100 µF) és rögtön helyreáll a rend!
Itt adódik még egy lehetőség, a hang minőségének javítására: a csatolókondenzátorok cseréje. Jobb minőségűre és nagyobb értékűre. Én annakidején a Remix által gyártott C2332 Típusú kondijait építettem be erre a célra, mivel nem tekercselt, hanem fésűszerűen egymásba-csúsztatott kivitele folytán indukciószegény kivitel volt. Ebből a 2µ2 es 630 V-os kivitel került felhasználásra. A mélyhangátvitelnél meghálálta.
Összegzés:
Cikkem ezen részében az erősítő olyan átalakításaira tettem javaslatokat, amit bárki, nagyobb hozzáértés nélkül meg tud oldani. Ezekhez az átalakításokhoz nem kell feltétlenül mérőműszer sem. Mindazoknak ajánlható, akik nem járatosak az elektrotechnikában, de szeretnének egy jobb hangú erősítőre szert tenni. A csövek cseréjénél figyeljünk a lábkiosztásra!!! Van olyan cső, amit csak a lábak átkötésével tudunk üzembe helyezni, illetve kipróbálni. Figyeljünk oda még a nagyfeszültség jelenlétére is, hiszen itt fennáll az áramütés veszélye.
Következő részben olyan átalakításokra teszek javaslatot, hogy az eredeti meghajtó fokozatot milyenre érdemes kicserélni, hogy a kimenőtrafó kvalitásai és az erősítő tartalékai is kijöjjenek. Az eddigi átalakításokhoz sok sikert kívánok minden kedves érdeklődőnek.